请选择 型号/数量
脉冲疲劳试验装置
一、产品介绍
思明特脉冲疲劳试验台主要用于油管的疲劳脉冲试验,试验压力0-70Mpa,试验温度-40℃~150±3℃,设备设置了超温保护装置,当油温超过设定极限温度时,自动停止运行。超温保护装置不能自动复位,需查明超温原因,手动复位后,才能重新启动设备。可对试验压力,试验次数等进行控制,亦可对异常情况自动处理,试验完毕后可以打印试验报告,对保证其质量和提高其可靠性有重要作用。
广泛应用于工厂、产品质量检验所、科研院校的油管生产检验、开发研究等领域。试验台的箱体是由液压系统和热交换系统,控制仪表等组成的一个有机体。在门都安装闭合检测开关,进行测量检测,以满足试验安全性。试样破坏或机器出现故障自动识别并作相应处理,真正做到自动化控制、智能化无人值守。
二、主要技术参数
1. 试验次数50万次
2. 试验介质:液压油
3. 脉冲频率:0.5Hz~1Hz
4. 试验介质温度:常温~150±2℃
5. 环境温度温度:-40℃~150±3℃
6. 脉冲压力:0-70Mpa
7、被测件一次可测试1-4路
8、显示精度:0.01Mpa
9、控制精度:1%
10、功率:10Kw
11、脉冲压力波形:基本方波(方波、梯形波),脉宽调节可以按照贵单位要求进行。
以上参数在一定范围内可以调节。
三、产品特点
1. 可以计算机控制升压压力,实时显示压力曲线,试验完毕后可以打印试验报告。采用伺服控制技术,可以精确控制压力.
2. 试验压力-时间曲线能够在屏幕上显示并能打印或存储在存储器内,计算机控制,试验时可以自由设定运行周期次数要求,当达到要求时可以自动停止试验;
3. 可进行各种异常状况的处理,包括压力,电等异常情况。
4. 超温保护:设备设置了超温保护装置,当油温超过设定极限温度时,自动停止运行。超温保护装置不能自动复位,需查明超温原因,手动复位后,才能重新启动设备。
5. 漏电保护:设备设置了高灵敏度漏电保护模块,当漏电保护装置动作时,断路器切断主回路电源。
6. 设备还设有短路、过流、缺相、相序等保护功能。
7. 试验次数可达30万次(根据客户要求)
8. 可进行多工位试验,被测件一次可测试6根(根据客户要求)
9. 计算机数据采集处理,打印输出压力、疲劳次数和疲劳压力波行
10. 存储器有USB接口,可打印实验压力曲线;
11. 实验数据可回访,可以按照实验时间、实验次数等查询实验结果。
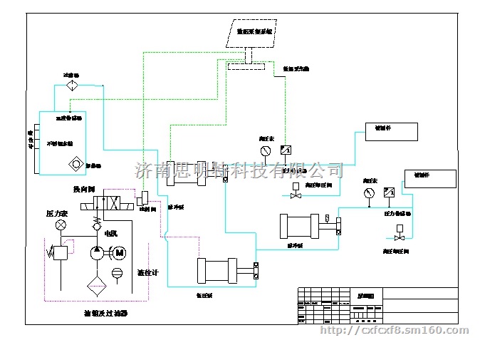
四、主要系统构成
脉冲发生装置:脉冲泵、注水泵、调压阀、液压站、比例阀、管路。
温度控制装置:保温箱、温度传感器、加热器、控制仪表。
数据采集控制装置:计算机、采集软件、压力传感器、数据采集卡。
软件异常处理装置:包括压力、数据采集。
签订终验收合格报告的同时,合同规定的保修期开始。属设备正常使用,设备的保修期限为一年(发生人力不可抗拒的因素除外)。
在为期一年的设备保修期内,发生设备故障,24小时内拿出解决方案,必要时48小时内到达现场解决问题(人力不可抗拒的因素除外)。
保修期内任何零部件均免费更换。
保修期到期之日,供方派人来需方现场免费检查、维护和保养一次。
在设备保修期结束以后,继续提供技术支持及售后服务。
设备软件终身免费升级。
