请选择 型号/数量
散热器脉冲试验台
一、产品定位
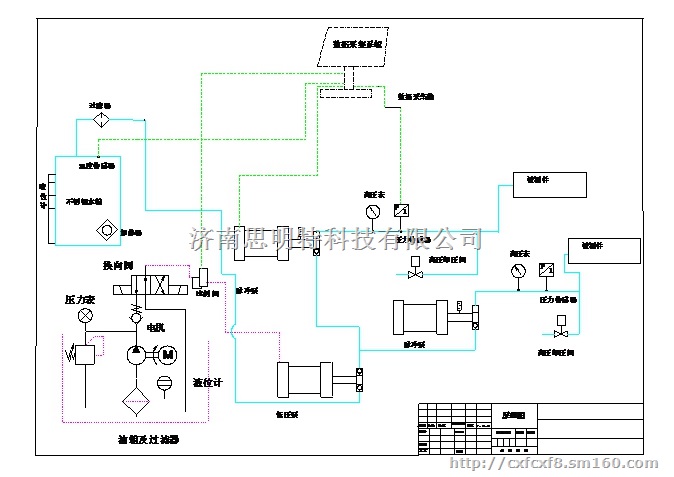
济南思明特散热器脉冲试验台试验压力0-3Mpa,配备思明特数据采集系统,可控制升压速率以及记录整个实验过程,显示压力曲线,主要用于对散热器的脉冲压力试验,试验完毕后可打印中英文报告,箱体是由液压系统和热交换系统,控制仪表等组成的一个有机体。采用计算机控制,整个控制系统采用工业控制计算机+二次控制仪表系统+传感器开关控制模式,并对所有的开关量进行闭合PLC 监控,并采用逻辑关系,保证系统的安全和可靠,能够进行故障记录,自动系统锁定逻辑,保证无人值班的试验安全。
二、散热器脉冲试验台的特点
1. 可存储最近1000万循环的脉冲压力波形。
2. 拆卸被试管路后的泄漏介质自动回收。
3. 配有工件自动检漏和停机,电器安全保护措施采用计算机控制,可实时显示脉冲压力波形(设定波形和实际波形)、压力值、循环次数、流体温度、环境温度等参数。
4. 设备设有试验间下方外部管道的泄漏报警功能。
5. 实验数据可回访,可以按照实验时间、实验次数等查询实验结果
6. 支持断电自动保存数据。
7. 配备观察窗,观察窗设有保护装置,试验时外部可以观察试样试验情况。
8. 内部采用保温层,可以控制环境温度与液体温度。
9. 试验时可以自由设定运行周期次数要求,当达到要求时可以自动停止试验;
10. 采用伺服控制技术,可以精确控制压力.
11. 计算机数据采集处理,打印输出环境温度、脉冲次数和脉冲压力波形;
三、基本参数
1) 压力脉冲范围:0~3.0 MPa任意可调;
2) 试验介质:耐高温液压油
3) 介质温度:40~150 ℃任意设定;
4) 压力脉冲次数:0~1,000,000次任意设定;
5) 低压残余压力:视试件内阻而定,原则上应可达到0 MPa;
6) 脉冲频率:1/40~1.0 Hz任意可调,以≤1Hz的低频为主;
7) 介质温度波动度:±1 ℃;
8) 介质控温精度:±3 ℃;
9) 压力控制精度:设定值的±2%或±0.5 bar,取最大值;
10) 试验波形:正弦波,三角波,方波,梯形波,直线波
11) 频率控制误差:±1 cycle/min;
四、压力控制实验流程
一开始需要自动泄压阀打开,低压泵工作,当自动泄压阀内有液体出后,证明管路内的空气已经排出,软件设定好实验压力,实验时间,控制好油温及环境温度后,此时启动脉冲泵工作,当软件采集到压力达到设定值后,软件会自动控制脉冲泵往复工作,实验压力的脉冲发生,实验的压力是通过油压比例阀来实现控制。实验的过程中自动记录实验过程,实时显示压力曲线。并能实现试验过程的回放。
五、其他事项
产品表面刷漆,包一层保护膜再装木箱。
存放在干燥的仓库中,存放和运输时不准倒置。
思明特品牌产品自发货之日起一年内对于由于材料和制造问题引起的原始缺陷实行保修。终身服务。

