请选择 型号/数量
水锤脉冲试验机
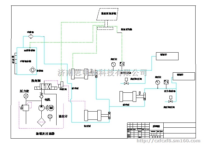
水锤脉冲试验机试验压力0-1.5Mpa可以实时显示压力变化曲线,试验完成后保存数据、打印试验报告。设备设有过压报警功能,试验回路中的压力发生突变时,设备自动报警,其超过安全范围时,设备自动停机。主要用于净水机、净水器、加热器、管件、管路、容器、热塑性管材和复合管材(PP—R、PP-B、PP—A、PE-X、PVC、PVC—U、PVC—C及铝塑复合管)的生产、使用及研究开发的工厂、公司及科研院所。满足标准:“GB/T6111-2003?GB/T15560-1995?GB/T10544?管材容器水锤疲劳试验和脉冲试验”。
控制系统采用工业控制计算机+二次控制仪表系统+传感器开关控制模式,并对所有的开关量进行闭合监控,并采用逻辑关系,保证系统的安全和可靠,能够进行故障记录,自动系统锁定逻辑,保证无人值班的试验安全。
三、特性和优势
1. 可进行多工位试验。
2. 无任何焊接连接,方便拆卸,便于维护,使用安全高效。
3. 所有零部件采用国际知名品牌标准零部件。
4. 多种控制方式可选,可以选择半自动控制或自动控制,
5. 计算机系统可以采集试验压力波形、试验次数、脉冲频率等参数且具备报表打印功能,并有故障通告功能。
6. 可以计算机控制升压速率,实时显示压力曲线,试验完毕后可以打印试验报告。
7. 动力系统:采用思明特增压泵,压力控制精确。
8. 支持断电自动保存数据;
9. 超温保护:设备设置了超温保护装置,当油温超过设定极限温度时,自动停止运行。超温保护装置不能自动复位,需查明超温原因,手动复位后,才能重新启动设备。
10. 漏电保护:设备设置了高灵敏度漏电保护模块,当漏电保护装置动作时,断路器切断主回路电源。
1. 试验介质:水或液压油
2. 脉冲压力:0-1.5Mpa,范围内可以调节
3. 压力控制精度: ±1%
4. 操作方式:电脑控制或半自动控制
5. 脉冲频率:5~30 次/分 (可调)
6. 试验路数:1路,可进行多工位试验
7. 循环次数:10 万次(可调)
8. 结构组成:动力系统分、循环系统、压力控制系统、工件安装装置
1.连接被测件。
3.被测件内注入液体,排除空气。
4.关闭泄压阀,启动软件,调整液压站压力,保压时间,升压时间,高压时间,泄压时间,实验次数。
5.调整好压力后开始实验。
6.中途如被测件出现异常,进行异常处理。
7.实验完毕后泄压。
8.卸掉压力,取出被测件。
五、其他事项
签订终验收合格报告的同时,合同规定的保修期开始。属设备正常使用,设备的保修期限为一年(发生人力不可抗拒的因素除外)。
2售后服务
在为期一年的设备保修期内,发生设备故障,24小时内拿出解决方案,必要时48小时内到达现场解决问题(人力不可抗拒的因素除外)。
保修期内任何零部件均免费更换。
保修期到期之日,供方派人来需方现场免费检查、维护和保养一次。
在设备保修期结束以后,继续提供技术支持及售后服务。
设备软件终身免费升级。
