请选择 型号/数量
中冷器脉冲试验台
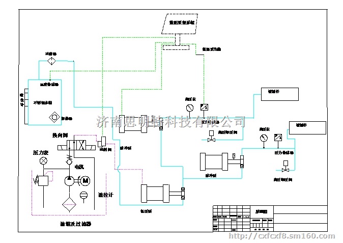
一、中冷器脉冲试验台原理图
二、产品介绍
思明特中冷器脉冲试验台配有思明特增压泵,输出压力0-4Mpa,升压稳,保压时间长,在一定范围内压力可调,并配有思明特数据采集系统,可控制升压速率以及记录整个实验过程,显示压力曲线,试验完毕后可打印中英文报告,主要应用于中冷器的脉冲试验,箱体是由液压系统和热交换系统,控制仪表等组成的一个有机体。在门都安装闭合检测开关,进行测量检测,以满足试验安全性。可存储最近30万次循环的脉冲压力波形。设备设有过压报警功能,试验回路中的压力发生突变时,设备自动报警,其超过安全范围时,设备自动停机。
三、控制方式
采用计算机控制,整个控制系统采用工业控制计算机+二次控制仪表系统+传感器开关控制模式,并对所有的开关量进行闭合PLC 监控,并采用逻辑关系,保证系统的安全和可靠,能够进行故障记录,自动系统锁定逻辑,保证无人值班的试验安全。

四、主要技术参数
脉冲试验压力:0-4Mpa
被测中冷器容积:250~1500 mL/件;
工作介质:液压油;
介质温度范围:(80~150)±3 ℃;
试验环境温度:室温
脉冲频率:(1/6~1) Hz;
脉冲波形:三角波(升压、降压时间均分);梯形波(高压、低压驻留时间可分别设置,剩余时间升压、降压均分);正弦波(周期按设定频率自动计算);方波(高压、低压驻留时间可分别设置,升压、降压时间尽量短,但不必设定)。
脉冲次数:300,000次;
检漏试压:经20,000次脉冲压力后,升压至20 bar,维持5min,自动判断有无明显泄漏。如试件合格,继续脉冲压力疲劳试验。
五、中冷器脉冲试验机的特点
1. 配备思明特增压泵,升压稳,输出压力可调。
2. 拆卸被试管路后的泄漏介质自动回收。
3. 配有工件自动检漏和停机,电器安全保护措施采用计算机控制,可实时显示脉冲压力波形(设定波形和实际波形)、压力值、循环次数、流体温度、环境温度等参数。
4. 可存储最近30万次循环的脉冲压力波形。
5. 采用伺服控制技术,可以精确控制压力。
6. 实验数据可回访,可以按照实验时间、实验次数等查询实验结果
7. 配备观察窗,观察窗设有保护装置,试验时外部可以观察试样试验情况。
8. 内部采用保温层,可以控制环境温度与液体温度。
9. 支持断电自动保存数据。
10. 计算机数据采集处理,打印输出环境温度、脉冲次数和脉冲压力波形。
11. 试验时可以自由设定运行周期次数要求,当达到要求时可以自动停止试验。
六、其他事项
设备设有过压报警功能,试验回路中的压力发生突变时,设备自动报警,其超过安全范围时,设备自动停机。
回路中设有过滤装置,在过滤器的两端装有压差发讯报警器。
设备设有试验间内管道、工件失效的泄漏报警功能。
设备设有试验间下方外部管道的泄漏报警功能。
柱塞脉冲缸具有位置检测功能,当快要接近缸底时,设备报警且自动停机。
液箱液位报警。
超温保护:设备设置了超温保护装置,当油温超过设定极限温度时,自动停止运行。超温保护装置不能自动复位,需查明超温原因,手动复位后,才能重新启动设备。
漏电保护:设备设置了高灵敏度漏电保护模块,当漏电保护装置动作时,断路器切断主回路电源。
设备还设有短路、过流、缺相、相序等保护功能。
提供的技术资料如下:
购买各种硬件和软件零件得到的所有技术数据、手册、书籍、CD-ROMS和磁盘等。任何界面、设备开发或在仪器上与装置传输所要求的任何编程装置或软件。
所有机械装配图纸(包括总图和部件图)、图解/连线图和界面程序以拷贝的形式提供。
PC和/或PLC程序连同一个完整的操作顺序说明。
提供一份维护手册。
提供一份材料零件和供应商的清单,包括型号、规格、产地、联系方式、价格等重要信息。
提供一份操作手册。
3.售后服务
思明特品牌产品自发货之日起一年内对于由于材料和制造问题引起的原始缺陷实行保修。终身服务。

