返回

  商品详情

收藏店铺  

GZQ-10给油指示器,GZQ-15给油指示器

请选择 型号/数量

规格:GZQ-10给油指示器,GZQ-15给油指示器,GZQ-20给油指示器 ,GZQ-25给油指示器

包装:纸箱

泰兴市达力液压件厂

 
     
     
进入店铺

商品详情

 

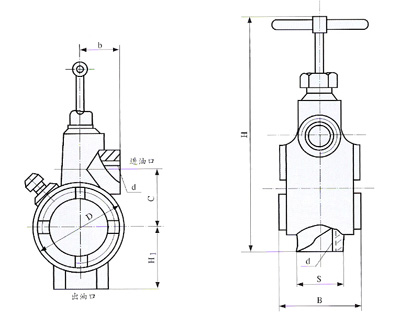
GZQ型给油指示器(JB/ZQ4597-86)
    本产品适用于稀油润滑系统,它的主要作用是控制润滑给油量大小和润滑点给油情况的显示,适用介质粘度为N22-N460。

技术参数、规格

型号

公称通径 DN

公称压力 MPa

d

D

B

C

b

H

H1

S

重量 kg

GZQ-10

10

0.63

ZG3/8 ?

65

58

35

32

142

45

32

1.4

GZQ-15

15

0.63

ZG1/2 ?

65

58

35

32

142

45

32

1.4

GZQ-20

20

0.63

ZG3/4 ?

80

60

28

38

150

60

41

2.2

GZQ-25

25

0.63

ZG1 ?

80

60

28

38

150

60

41

2.1

GZQ-10给油指示器,GZQ-15给油指示器